

1. 技术需求
主要需求包括:
² 满足23s的LD智能化处理要求;
² 满足706s云端信息处理要求;
² 国产化要求(95%以上,不能国产的说明原因);
² 尽可能采用通用化的成熟COTS产品;
² 训推一体;
² 硬件形态符合实装要求,具备随时接入实装的条件。
XX云端服务器计算密度高,整机功耗较大,采用标准的VPX机箱,设计高度尺寸8U,内部插板高度为6U,包括2个电源槽位、1个交换槽位(前插及后插)、12个前插槽位(2个预留),包括了主控单元、显控单元、训练单元、推理单元、存储单元以及交换刀片,其中主控单元、显控单元以及交换刀片是为了兼容传统雷达应用,训练单元和推理单元用于实现新增的智能化处理需求,存储单元用于存储和管理模型训练所需要的大量数据。
整机包括7个单元,包括:电源单元、AI训练单元、AI推理单元、交换单元、存储单元、显控单元、主控单元。其中:
电源单元包括:2块VPX电源刀片。
AI训练单元包括:1块通用计算刀片,1块AI训练刀片,1块通用计算接口模块(后插)。
AI推理单元包括:1块通用计算刀片,1块AI推理刀片,1块通用计算接口模块(后插)。
交换单元包括:1块交换刀片,1块交换接口模块(后插)。
存储单元包括:1块通用计算刀片,1块存储刀片,1块通用计算接口模块(后插)。
显控单元包括:1块通用计算刀片,1块显控接口模块(后插)。
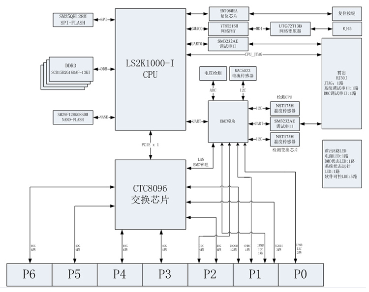
主控单元包括:1块实时计算刀片,1块IO刀片,1块实时计算接口模块(后插),1块IO扩展模块(后插)。
采用的硬件方案总体架构图 1所示,

图 1系统架构图
整机结构设计成14槽位,其中2个槽位是电源槽位,2个预留槽位。10个功能槽位。


图2 整机结构示意图
通用计算刀片采用FT2000+/64,主要技术指标如下:
a) 尺寸规格:VPX 6U 5HP;
b) 处理器:FT2000+/64(64核,2.2GHz,100W);
c) 内存:64GB颗粒焊装,DDR4,支持ECC功能;
d) 本地存储:1路mSATA接口,配置256GB系统盘;
e) 接口:2路40GbE,5路千兆以太网,4路串口,2路IPMB,2路SATA3.0,6路USB,1路PCIe3.0x16,2路PCIe3.0x8;
f) 中断响应:支持外部4路单端GPIO信号中断输入,中断响应时间≤100us;
g) 刀片具备热插拔功能;
h) 电源:+12VDC、+3.3V_AUX(可支持单12V电源工作);
i) 刀片功耗≤150W;
j) 重量:≤1.5Kg(含结构件)。

图3通用计算刀片原理框图
通用计算接口模块主要技术指标如下:
a) 尺寸规格:VPX 6U 5HP(后插板);
b) 国产化率:种类及数量不低于95%;
c) FPGA实现面板的1路12收12发MPO多模光纤接口到VPX连接器的PCIe3.0 x8接口的协议转换;
d) FPGA实现面板的4路自定义LC光纤接口(单多模可配,标配单模)到VPX连接器的PCIe3.0 x8接口的协议转换;
e) FPGA将面板4路RS422接口(HJ30J连接器)转换为VPX的4路单端GPI接口;
f) 将VPX连接器的1路千兆PCIEx1接口转换为面板的2路1GBase-T接口;
g) FPGA外挂3通道64bit 1600MHz DDR3高速缓存,容量共6GB;
h) FPGA外挂2种GTH参考时钟(标配125 MHz 、156.25MHz);
i) 具备通过PCIe接口在线加载升级FPGA程序的功能;
j) 模块重量:≤0.8Kg;
k) 模块功耗:≤50W。
通用计算接口模块原理框图如下图 4所示。

图 4 通用计算接口模块原理框图
a) 尺寸规格:VPX 6U 5HP(后插);
b) 国产化率:种类及数量不低于95%;
c) 集成JH930显卡;
d) 具备2路HDMI/DVI、1路VGA输出通道;
e) 板载1个电子盘,容量2TB;

图 5 显控接口模块原理框图
AI训练刀片采用天数BI-V100 GPU(对标Nvidia V100),主要技术指标如下:
a) 最高可达36TFLOPS@FP32;
b) 最高可达147TFLOPS@FP16;
c) 最高可达295T@INT8;
d) 32GB/16GB高性能HBM2内存;
e) 功耗≤250W(可降额工作到150W或75W)。

图6 AI训练刀片原理框图

图7 天垓100加速卡(BI-V100)产品样图
AI推理刀片采用百度昆仑芯R200,32G内存主要技术指标如下:
a) 256TOPS@INT8
b) 128TOPS@INT16
c) 128TFLOPS@FP16
d) 32TFLOPS@FP32

图8 AI推理刀片原理框图
存储刀片主要技术指标如下:
a) 尺寸规格:VPX 6U 5HP;
b) 国产化率:种类及数量不低于95%;
c) 存储盘:板载4个PCIE接口电子盘,每个达8T容量;
d) 存储容量:容量32TB;
e) 存储带宽:单个电子盘读写带宽最高可达3GB/s,刀片最大带宽可达12GB/s;
f) 电源:+12VDC;
g) 刀片功耗 ≤ 60W;
h) 重量:≤1.5Kg(含结构件)。

图9 存储刀片原理框图
U.2接口硬盘选型(DERA D5437 U.2(8TB))

|
基本参数 |
|
|
产品定位 |
企业级 |
|
存储容量 |
8TB |
|
接口类型 |
U.2接口 |
|
硬盘尺寸 |
2.5英寸 |
|
闪存架构 |
TLC三层单元 |
|
通道 |
Gen3 x 4 |
|
存储介质 |
3D NAND闪存 |
|
性能参数 |
|
|
读取速度 |
3450MB/s |
|
写入速度 |
3450MB/s |
|
4K随机读 |
830000 IOPS |
|
4K随机写 |
170000 IOPS |
|
电源功耗 |
工作:20W(写入),13W(读取),待机:< 7W |
|
系统要求 |
Windows Server, Windows(64-bit), Vmware ESXI, RHEL, Centos a, Neokylin |
|
其它参数 |
|
|
外形尺寸 |
100 x 69.85 x 14.8mm |
|
工作温度 |
0~70°C |
|
存储温度 |
-40~85°C |
交换刀片主要技术指标如下:
a) 40GbE交换端口:20 路40GBASE-KR4引出到VPX连接器;
b) 1GbE交换端口:15路1GBASE-X引出到VPX连接器;
c) 管理网口:1路百兆管理网口刀片VPX连接器;
d) 10路IPMB接口到VPX连接器,可用于用于机箱内风扇、电源、计算刀片的分区星型互联;
e) 10路复位输出信号(PWR-RST#)可控制机箱内各个刀片功能复位;
f) 具有槽位号和机箱号识别功能;
g) 健康管理:具备交换刀片自身健康状态和机箱内部其他功能刀片健康状态的监控管理功能,并可通过以太网远程汇报健康状态,符合IPMI协议要求;
h) +12VDC、+3.3VDC输入供电(支持+12V单电源工作);
i) 刀片功耗≤120W;
j) 重量:≤1.5Kg(含结构件)。

图10 交换刀片原理框图
交换接口模块主要技术指标如下:
a) 尺寸规格:VPX 6U 5HP(后插板);
b) 国产化率:种类及数量不低于95%;
c) 将VPX连接器的4路千兆网Serdes接口转换为面板4路1GBase-T接口;
d) 将VPX连接器的4路40GbE Serdes接口转换为4路40GbE多模光口,每路40Gbe可选配为4路10GbE;
e) 将VPX连接器的1路百兆网和1路复位信号引出至面板HJ30J连接器;
f) 模块重量:≤0.8Kg;
g) 模块功耗:≤10W。

图11 交换接口模块(后插)原理框图
实时计算刀片采用飞腾D2000,主要技术指标如下:
a) 尺寸规格:VPX6U5HP;
b) 处理器:国产飞腾腾锐D2000处理器,主频≥2.0GHz;
c) 内存:32GB(颗粒焊装);
d) 本地存储:1路加固mSATA扩展盘,配置256GB系统盘;
e) 接口:2路40GbE,5路千兆以太网,2路IPMB,2路SATA3.0,6路USB,1路PCIe3.0x8,1路PCIe3.0x4;
f) 刀片具备热插拔功能;
g) 电源:+12VDC、+3.3V_AUX(可支持单12V电源工作);
h) 刀片功耗≤100W;
i) 重量:≤1.5Kg(含结构件);

图12 实时计算刀片原理框图
实时计算接口模块主要技术指标如下:
a) 尺寸规格:VPX 6U 5HP(后插板);
b) 国产化率:种类及数量不低于95%;
c) 将VPX连接器的1路PCIe2.0 x4转面板2路1GBASE-T;
d) 将VPX连接器的2路1GBASE-X转面板2路1GBASE-T;
e) 将VPX连接器的1路PCIE2.0 x8转面板的4路同步RS422、4路异步RS422、4路422差分电平输入、2路LC光纤接口;
f) 将VPX连接器的SATA接口连接至板载mSATA电子盘插槽;
g) 模块重量:≤0.8Kg;
h) 模块功耗:≤50W。

图13 实时计算接口模块(后插)原理框图
IO刀片主要技术指标如下:
a) 尺寸规格:VPX 6U 5HP;
b) 国产化率:种类及数量不低于95%;
c) 开关量输入:96路,双端隔离,输入信号直流24 V;
d) A/D输入:输入路数20路,其中1~4路模拟输入信号-10V~+10V,5~14路模拟输入信号0V~+10V,15~20路模拟输入信号0V~+1V,输入之间需要隔离,分辨率12位;转换精度:1~4路:±2LSB,5~20路:±3LSB;转换时间:不大于1ms;
e) D/A输出:6路双端光电隔离,模拟输出信号0V~+10V,分辨率12位,精度优于10mV,转换时间不大于20µs;计算机复位后D/A,输出需要清零;
f) RS422A通信接口:4路双端隔离,同步传输速率可调最高2Mbps,异步传输速率可调最高115.2kbps,信号输出后传输介质多对屏蔽双绞线,信号输出后传输方式全双工、差分,数据链路层同步(HDLC)、异步(ASYN)协议可软件配置,误码率不大于1×10-6;
g) 开关量输出通道数32路隔离输出,输出电压直流24V(满足24V,0.5A感性负载要求),输出电流0.5A;输出信号特征:每一路单独输出信号时,不会干扰其它路输出信号的状态;
h) 具有BIT测试。

IO扩展模块(后插)主要技术指标如下:
a) 尺寸规格:VPX 6U 5HP(后插板);
b) 国产化率:种类及数量不低于95%;
c) 将面板的96路开关量输入转接至VPX连接器;
d) 将面板的20路A/D输入转接至VPX连接器;
e) 将VPX连接器的6路D/A输出,转接至后插板面板;
f) 将VPX连接器的4路RS422通信接口,转接至后插板面板;
g) 将VPX连接器的32路开关量输出,转接至后插板面板;
h) 模块重量:≤0.8Kg;
i) 模块功耗:≤20W。

a) 尺寸规格:VPX 6U
b) 国产化率:种类及数量不低于95%;
c) 输入:220VAC
d) 输出:+12V/1000W,+3.3V/50W;
e) 转换效率:≥85%;

|
输入指标 |
||||
|
项目 |
功能性能指标要求 |
备注 |
||
|
输入电压 |
AC220V(90~264V) 50HZ (47~63) |
|
||
|
输出指标 |
||||
|
项目 |
+12V |
+3.3V |
备注 |
|
|
电压精度 |
≤±1% |
≤±1% |
|
|
|
电压调整率 |
≤±1% |
≤±1% |
|
|
|
电流调整率 |
≤±5% |
≤±5% |
|
|
|
纹波峰峰值 |
≤150mV |
≤100mV |
|
|
|
输出电流 |
0~80A |
0~10A |
|
|
|
通讯功能 |
具有I2C通讯功能,采集各路电压、电流及电源温度 |
|||
|
国产化 |
模块级国产化 |
|||